TAKEONE Kicker
TAKEONE Kicker, Hi-tech state of the art equipment, that will encourage you to be better to stay at the top of your game. equipped with modern design and digital electronics especially for you.
History Of Kicking Target
Kicking target is originally used in TaeKwonDo martial arts for light training where its meant to increase your focus, timing and speed training, how ever this target was a dead piece it was just a target for striking without any intelligence. it could not tell anything about the striker not measure the capabilities.
The Science Behind The Kicker
Key Components
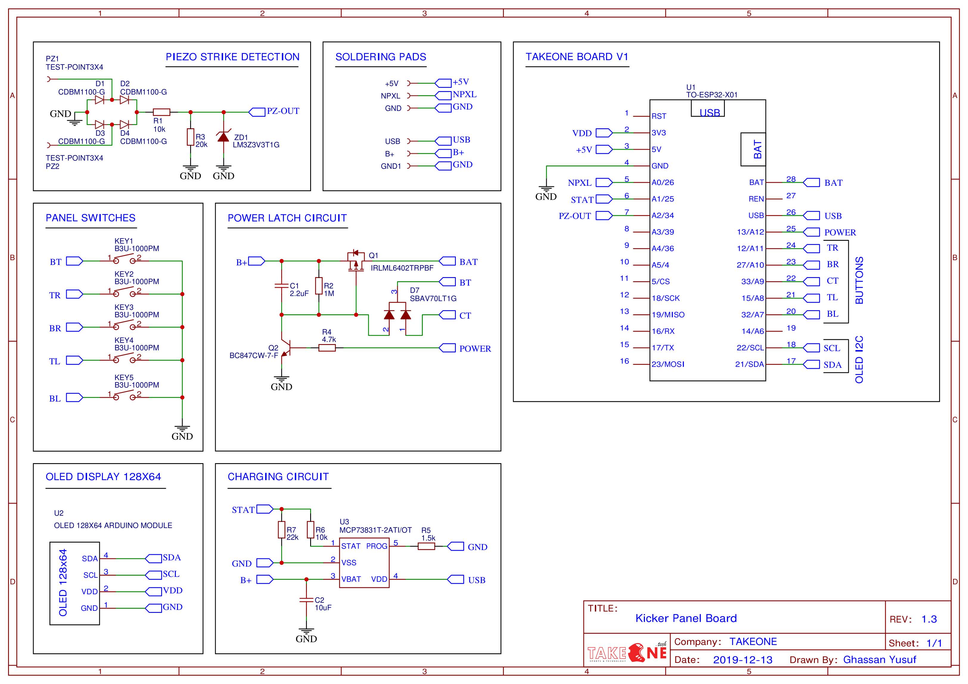
Strike Sensing
Strikes are sensed with vibration sensor it gives an alternating voltage when struck and the amplitude increases proportionally with the force of the strike. how ever we don't measure the force of the strike accurately, so we give it a threshold in case this threshold is crossed that is considers a valid strike.
Interactive Indication
Interactive indication is important so that user could understand the signals and knows what's going on. we use addressable RGB Neo Pixel Strip, to light up the strip with different patterns to signal the user to interact with the device.
Device Controller
in order to do accurate timing and measuring of the event of the games and the capabilities of the athletes who are using the device, we need and powerful brain that's is accurate and reliable with expandable memory wireless connectivity and can run a display and manage power consumption intelligently and keep the battery in safe conditions that will expand its life span. that brain is TAKEONE Board (ESP32 Weroom)

