Ghassan Yusuf 223c49a21e
Update Signals
This is to explain the signals and their meanning
2020-05-25 13:14:24 +03:00
2020-05-25 04:56:48 +03:00
2020-04-03 14:28:36 +03:00
2020-05-25 04:56:48 +03:00
2020-05-25 05:01:08 +03:00
2020-04-03 14:28:36 +03:00
2020-04-03 14:28:36 +03:00
2020-05-25 04:56:48 +03:00
2020-01-28 08:34:30 +03:00
2020-01-28 08:34:30 +03:00
2020-04-03 14:31:20 +03:00
2020-05-25 13:14:24 +03:00

TAKEONE Kicker, Hi-tech state of the art equipment, that will encourage you to be better to stay at the top of your game. equipped with modern design and digital electronics. Made to convert you into a champions.

History Of Kicking Target

Kicking target is originally used in TaeKwonDo martial arts for light training where its meant to increase your focus, timing and speed, However the targets was a piece of equipment compulsory like the heavy bag for boxers, they are just a target for striking without any intelligence. it could not tell anything about the striker not measure the capabilities. So TAKEONE team took the step forward to convert this target into a technological state of the art gadget to accurately measure and keep track of the performance of the athletes utilizing its high tech features. This gadget can work standalone or via Bluetooth operated by a phone with great visualization of striking data and archiving the history.

The Science Behind TAKEONE Kicker

since we have a striking sport that is going to use it, I would like to explain the methodology of kicker measurement by an example. lets begin,

imagine

Just imagine with me, you are closing your eyes and suddenly you listen to a person knocking the door on a slow pace, then if you ignore the knock's, the person tries harder so he knock's back again harder and on a faster pace. if you com to think of it now how did your ears and brain differentiate between weak and slow, fast and hard knock's.

answer

the answer is, that you ears listen to the knock's but your brain indirectly is measuring the knock's amplitude to differentiate weak or hard and the time space between every knock (slow rep knocking) or (fast rep knocking)

The Science Behind The Kicker

The science behind the kicker, is the basic understanding of martial arts training terminology and converting them to algorithms. Its based on registering the strikes magnitude and register their timestamp. This will open opportunities to calculate and measure the athletes capabilities and skills, not to mention that it can keep track of their progress. with the addition of an RGB interactive element it expands the possibilities to be able to measure skills that are related to your brain activity like reflex time, decision making and much more.

Key Components

Strike Sensing

Strikes are sensed with vibration sensor it gives an alternating voltage when struck and the amplitude increases proportionally with the force of the strike. how ever we don't measure the force of the strike accurately, so we give it a threshold in case this threshold is crossed that is considers a valid strike.

Interactive Indication

Interactive indication is important so that user could understand the signals and knows what's going on. we use addressable RGB Neo Pixel Strip, to light up the strip with different patterns to signal the user to interact with the device.

Device Controller

in order to do accurate timing and measuring of the event of the games and the capabilities of the athletes who are using the device, we need and powerful brain that's is accurate and reliable with expandable memory wireless connectivity and can run a display and manage power consumption intelligently and keep the battery in safe conditions that will expand its life span. that brain is TAKEONE Board (ESP32)

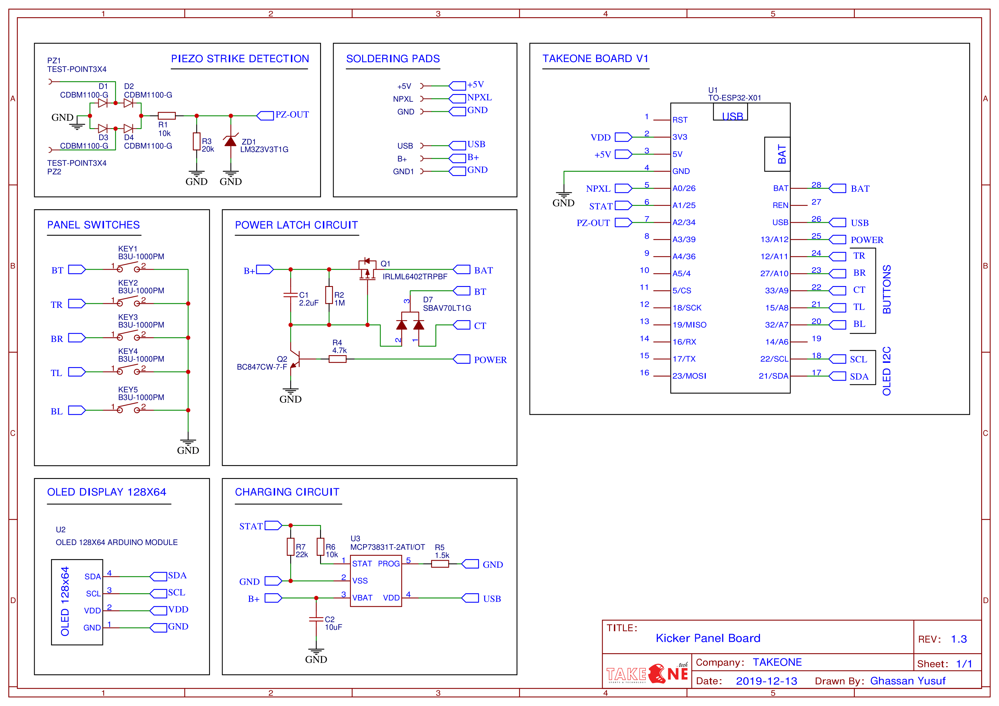
Circuit Diagram

=======

conclusion

therefore we conclude that if we register the amplitude of the strike power and time stamp of each strike hitting target. we get the following shape of data.

{
  strike_number : 5,    // This tells the current strike count
  amplitude     : 50,   // This tells how hard was it struck
  timestamp     : 2.45  // This tells the time in seconds of the strike
}

Click The Picture For Live Demo

Circuit Diagram

Key Components

Strike Sensing

Strikes are sensed with vibration sensor it gives an alternating voltage when struck and the amplitude increases proportionally with the force of the strike. how ever we don't measure the force of the strike accurately, so we give it a threshold in case this threshold is crossed that is considers a valid strike.

Image

Interactive Indication

Interactive indication is important so that user could understand the signals and knows what's going on. we use addressable RGB Neo Pixel Strip, to light up the strip with different patterns to signal the user to interact with the device.

Device Controller

in order to do accurate timing and measuring of the event of the games and the capabilities of the athletes who are using the device, we need and powerful brain that's is accurate and reliable with expandable memory wireless connectivity and can run a display and manage power consumption intelligently and keep the battery in safe conditions that will expand its life span. that brain is TAKEONE Board (ESP32 Weroom)

46e0d169bc

Description
TAKEONE Product Named Kicker
Readme GPL-3.0 134 MiB
Languages
C++ 100%